Wednesday, March 9th, 2011 AT 5:37 PM
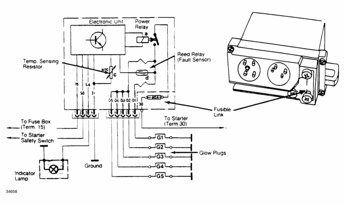
Hello! My vehicle is a 1981 mercedes 300D. I have just replaced my glow plugs. I worry about the relay failing, my glow plugs staying on and having a shorter lifespan. I am considering opening the hood each start, and inserting the fuse [the breaker located directly over the LF wheel], starting the car normally, removing the fuse, closing the hood, and storing the fuse in my glove box until the next start. This sounds like a nuisance to me. Is there a less cumbersome way I can be assured my glow plugs will be on ONLY when I want them on, and thereby have longer lifespan?



