I've replaced everything I could computer,plugs, air box, you name the computer is not sending infi. to injectors
helop
Apr 17, 2012 at 2:01 AM
Repair Safety Notice:
This information is for general instructional purposes only. Vehicle repair can be dangerous.
Verify all information, follow manufacturer service procedures, use proper tools and safety equipment,
and consult a qualified repair shop when needed.
Advertisement
RASMATAZ
AUTOMOTIVE REPAIR CONTRIBUTOR
75,992 POSTS
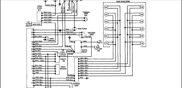
See below-EFI configuration system
Check and test the power amplifier and also the electronic control unit
Images (Click to enlarge)
Apr 17, 2012 at 6:45 AM
Advertisement
EXOVCDS
AUTOMOTIVE REPAIR CONTRIBUTOR
1,883 POSTS
The Engine Computer Fuel Pump & Injectors receive power from the
"Double Relay" that is mounted to the back of the engine compartment
(left corner).
A faulty double relay will cause a no-start condition.
Does the distributor have Ignition Points? Or is it a Hall Sensor
Distributor?