Monday, June 11th, 2012 AT 4:26 AM
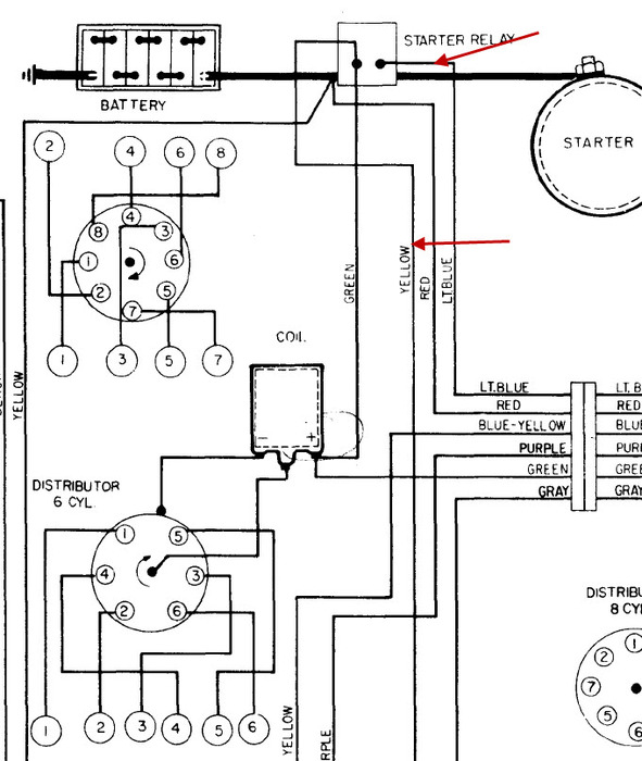
1974 jeep cj5. I got my coil hooked up, but my wiring harness only has a thick yellow wire, a thin yellow wire, a blue and green wire coming out where my solenoid hook-ups are, any help?




