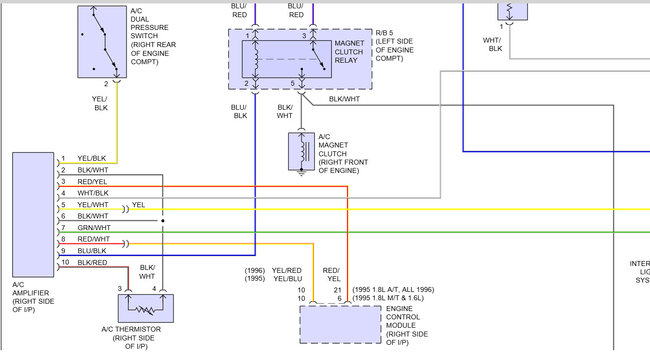
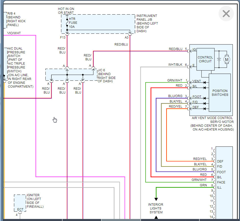
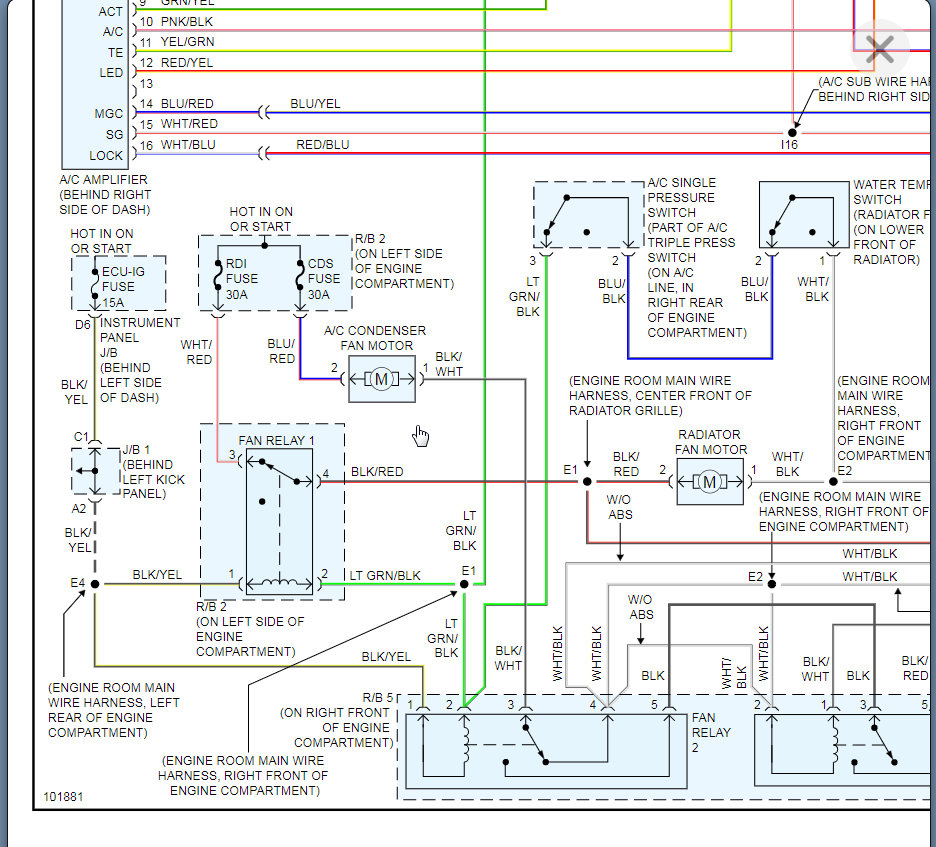
Could you kindly assist with the full size complete wiring diagram of the entire A/C system with a 10-pin amplifier?
Small segment attached hereby.
Small segment attached hereby.
Jun 12, 2020 at 3:02 AM






