I know a little about cars but not ASE tech.
I am trying to fix my bro's car listed above. It won't shift out of park unless I press the shift lock release, then it will go into neutral, drive, 3, 2, l. But once I try to go to reverse or park have to hit shift lock release. Checked fuses, checked brake stop light switch, when press the brake all brake lights go on. While holding brake pedal down and pressing the stop light switch button, the brake lights go on like normal. I also tried turning the key on ignition off while stepping on the brake pedal and moving the shifter from park to try to shift into gear I can hear the clicking in the steering column. I tried changing the neutral safety switch and still acting up. The car drives fine once I get into gear. Just have to keep pressing shift lock release button. Do I have to disconnect the battery after installing neutral safety switch?
Please help.
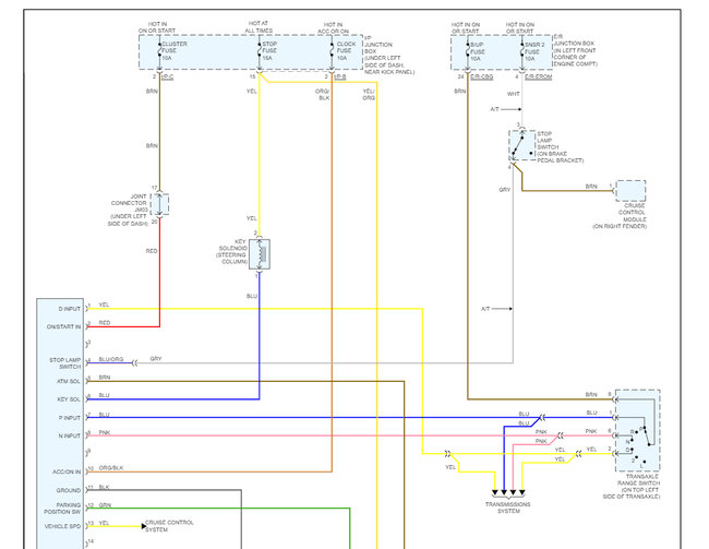
Any wiring diagrams would help if available.
Thanks.
Tuesday, June 7th, 2022 AT 11:39 AM



















