Thursday, January 19th, 2023 AT 6:06 AM
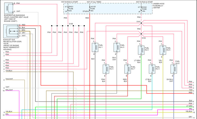
Need wiring harness for the vehicle listed above 350 5.7 vortec. Putting a new motor in and need to know where everything goes.







