Saturday, May 13th, 2023 AT 10:09 PM
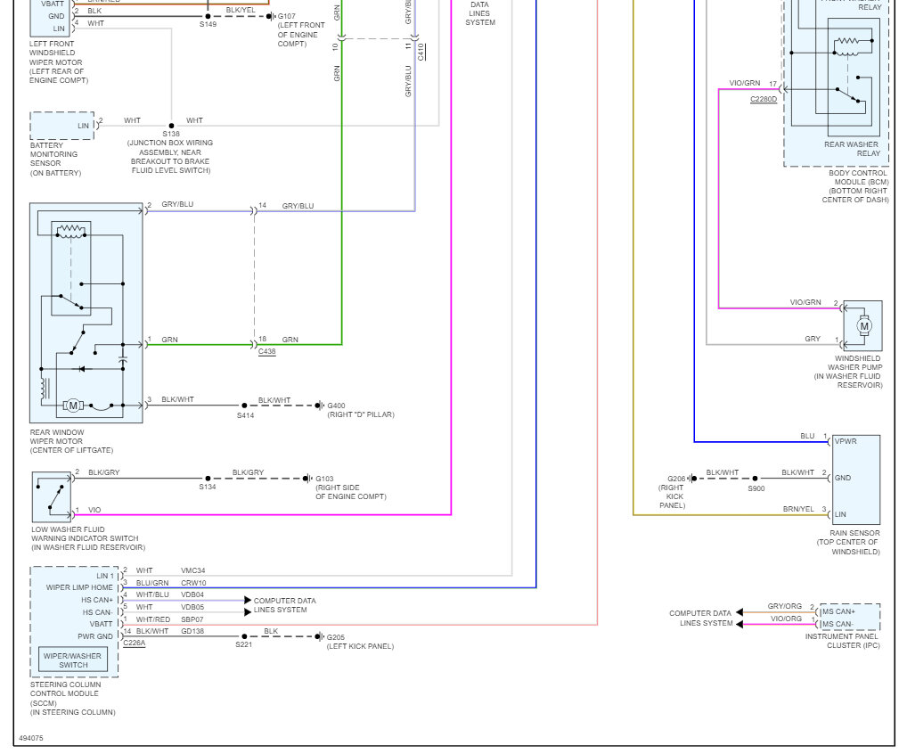
The other day it was raining but the wipers would not turn on. Later they started working on their own, but I could not turn them off no matter what I tried. Now they come on randomly. Sometimes they will turn off and other times they won't. I'm looking for suggestions on what may be causing this behavior.




