Tuesday, June 29th, 2021 AT 9:25 AM
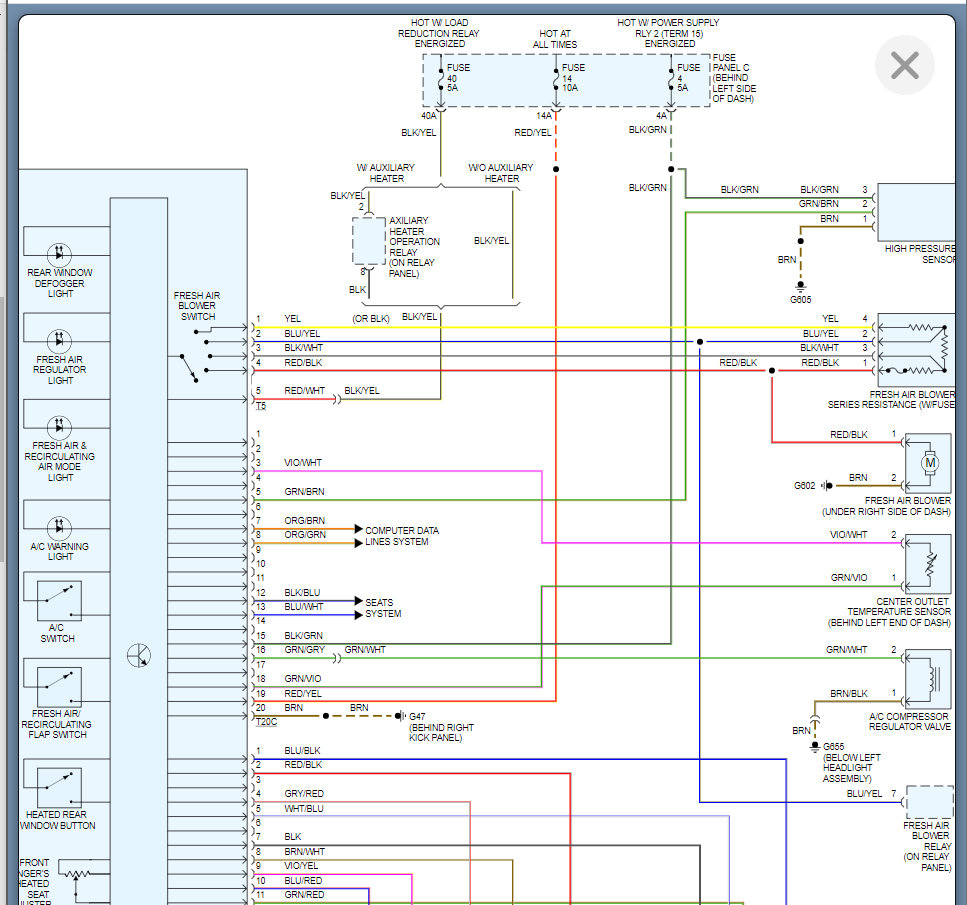
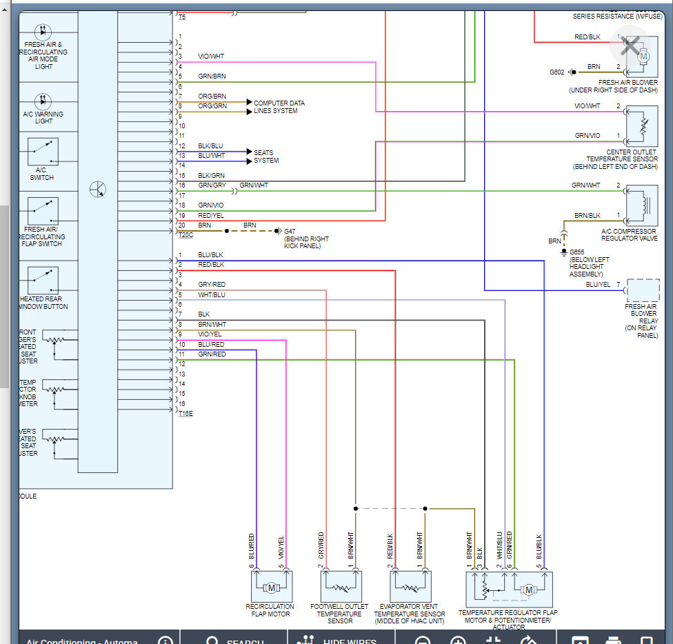
Since the VW A/C compressor has a wobble plate instead of a external clutch that engages when you turn the A/C system on, is there another way to tell if the A/C compressor is running (without the use of manifold gauges)? The line running out of the compressor on the high pressure side does not get hot. Also, where can you hotwire the A/C pressure switch to bypass the sensor that could be preventing the compressor from turning on if the refrigerant is low? Is there a fuse/relay under the hood to locate or would it be done at the A/C pressure switch? I'm guessing I need to determine the problem (ie. If the compressor is bad/needs solenoid replaced) before trying to recharge the system but if it's okay to attempt the recharge and go off the low pressure side gauge only that would be helpful to know as well. Thank you!












