I am getting voltage spikes of up to 16 volts throughout my electrical system. The car starts up and idles just fine. But because of voltage spikes generating P0121 and P0123 the car goes into limp mode and is undrivable.
Both codes refer to the TPS so I started there. I unplugged the connector and checked the three wires for their voltages with ign on and eng off. Ground was good and the other two wires were right where they were supposed to be voltage wise. But when I started the car that is when the spikes start. (I have a scope)
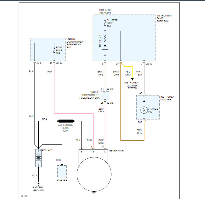
I suspected the alternator so I tested it and saw spikes in the alternator. I disconnected the alternator completely from the system and started the car. (unplugged all three wires) I still have the voltage spikes.
I have gone through and started unplugging components one at a time to no avail. (similar to unplugging on cylinder at a time to find the cylinder that is missing) I'm looking for ideas of where to look next.
I am posting a screenshot from my PicoScope showing battery voltage on top (yellow), 5 volt reference to the TPS from ECM (red), and signal from tps back to ECM at idle (blue).
Any direction on where to look next would be appreciated.
Both codes refer to the TPS so I started there. I unplugged the connector and checked the three wires for their voltages with ign on and eng off. Ground was good and the other two wires were right where they were supposed to be voltage wise. But when I started the car that is when the spikes start. (I have a scope)
I suspected the alternator so I tested it and saw spikes in the alternator. I disconnected the alternator completely from the system and started the car. (unplugged all three wires) I still have the voltage spikes.
I have gone through and started unplugging components one at a time to no avail. (similar to unplugging on cylinder at a time to find the cylinder that is missing) I'm looking for ideas of where to look next.
I am posting a screenshot from my PicoScope showing battery voltage on top (yellow), 5 volt reference to the TPS from ECM (red), and signal from tps back to ECM at idle (blue).
Any direction on where to look next would be appreciated.
Aug 1, 2021 at 5:25 AM





