Thursday, March 25th, 2010 AT 1:38 PM
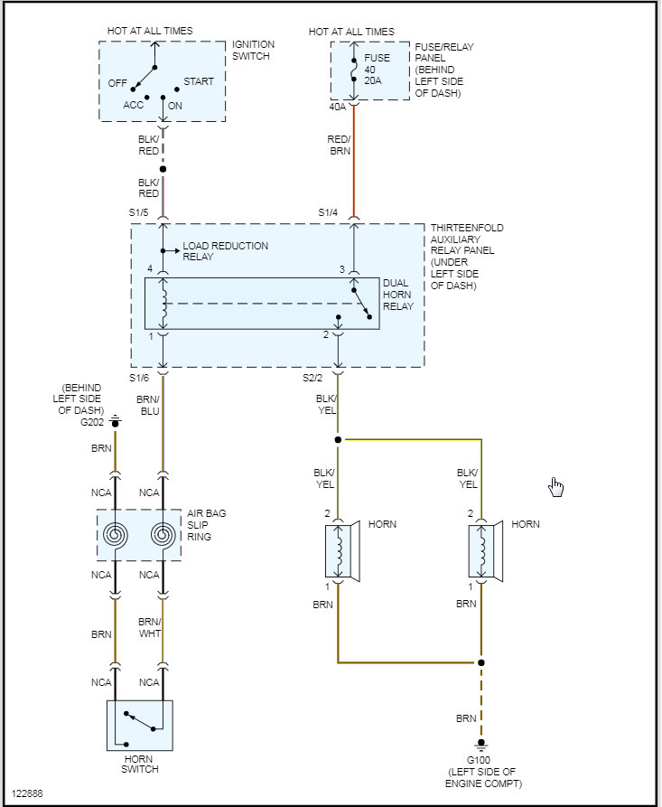
I can not find my horn and want to know where it is located. I need help my alarm horn wires were pealed make contact and the alarm. Horn doesn't go off anymore idk what it could be?



