Codes P1297 AND PO171

2001 VOLKSWAGEN BEETLE
10,000 MILES • 1.8L • 4 CYL • 2WD • MANUAL
Avatar
BIDRON
  • MEMBER
  • 1 POST
Vacuum line diagram needed.
Aug 26, 2020 at 5:28 AM
Repair Safety Notice: This information is for general instructional purposes only. Vehicle repair can be dangerous. Verify all information, follow manufacturer service procedures, use proper tools and safety equipment, and consult a qualified repair shop when needed.
Advertisement
Avatar
KASEKENNY
  • AUTOMOTIVE REPAIR CONTRIBUTOR
  • 18,907 POSTS
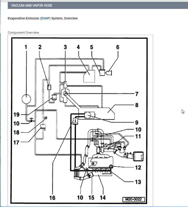
I suspect the issue is with the P1297 - Connection Turbocharger - Throttle Valve Pressure Hose. I attached the vacuum hose and turbocharger diagrams for your inspection. I would recommend using some brake cleaner and spray it around these hoses and listen for the RPM to raise and that should help locate where the leak it.

Here is a guide that will help with that. Let us know what you find. Thanks

https://www.2carpros.com/articles/repair-lean-mixture-codes-p0171-or-p0174-on-some-manufacturers
Aug 26, 2020 at 9:22 AM
Advertisement