Thursday, October 1st, 2020 AT 11:49 AM
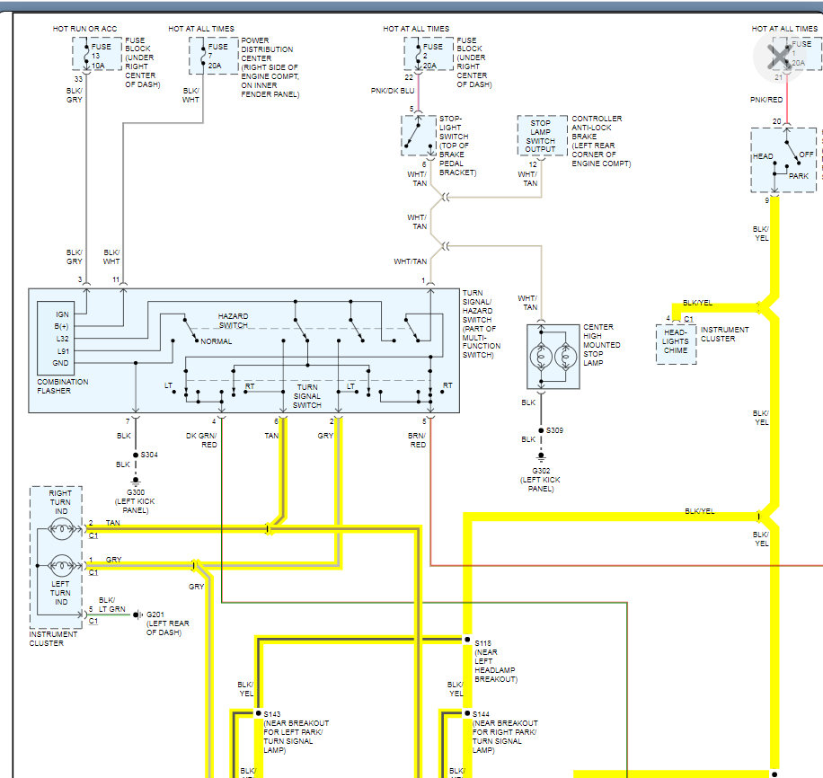
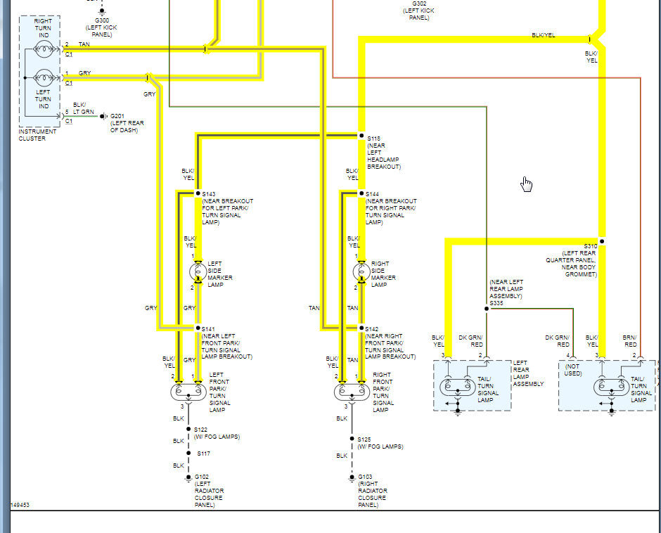
My turn signals began to freeze after about 15 flashes. I replaced the turn signal relay. When I did it worked for about 2 minutes and then it made a weird whining sound and I thought I smelled a faint hint of burning. I found out I had installed a relay that was not for a Wrangler but for a Cherokee. I purchased a correct relay installed and nothing. I've changed out all the 10 amp fuses behind the glove box as well as the multi-function switch. I still have no blinkers nor hazards. The lights work, high-beams work, interior doom light works. I am not sure what to do from here.



