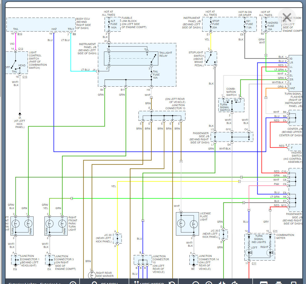
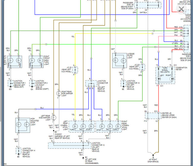
I am looking for a way to tap my stereo into the parking brake wire. But before I do that, I need to find the wire which, I cannot seem to do. It is a foot brake. I looked. I even stuck my phone up there. It must be very well hidden because neither me nor my friend could find it.
Can you show me where it is?
Thanks, as always.
John
Thursday, October 18th, 2018 AT 2:02 PM






