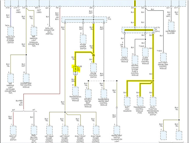
Here are the codes I'm getting:
P0753
P0758
P0763
P0785
P0773
P0748
These all point to errors in the same neighborhood.
Does it appear that a replacement of the entire module will be the proper fix?
P0753
P0758
P0763
P0785
P0773
P0748
These all point to errors in the same neighborhood.
Does it appear that a replacement of the entire module will be the proper fix?
Jan 31, 2022 at 2:57 PM



























