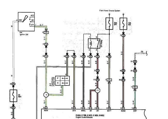
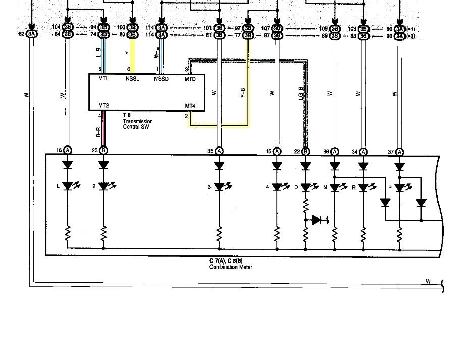
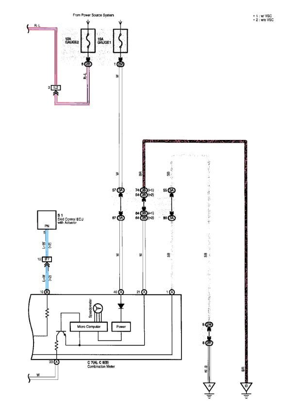
The vehicle's transmission had issues, it was replaced but during the replacement the connector of the transmission was broken which makes the pins disordered. I don't know if I can get a circuit diagram on it from the PCM to the Transmission and the PCM circuit diagram, someone has connected some wires that I understand not.
Sunday, September 5th, 2021 AT 3:49 AM









