Transmission issue, code P0733

Tiny
ROBERTSMIKE3155
  • MEMBER
  • 2008 DODGE AVENGER
  • 2.4L
  • 4 CYL
  • 2WD
  • 185,000 MILES
I recently had p0734 code come up so I changed the fluid and filter and now I have P0733. Should I replace the in put and output sensors? Or is this going to be a transmission job? Thank you
Monday, February 18th, 2019 AT 9:50 AM

11 Replies

Tiny
JACOBANDNICKOLAS
  • MECHANIC
  • 110,176 POSTS
Hi and thanks for using 2CarPros.

Does the transmission feel like it is slipping in third of fourth gear? Honestly, if it isn't, you really need to check line pressure in the transmission. It could be low. How dirty was the transmission fluid when you serviced it? If it was really dirty, you may want to try flushing the transmission cooler. Also, when you serviced it, was there any metal debris in the pan? Was the filter partially plugged? It could be a pressure switch or internal damage. The odd part that leads me to believe it is a pressure issue is the fact it changed from a 734 which is a fourth gear issue to a third gear problem (733) issue. If the transmission was slipping, I feel it would remain consistent with one gear. At this point, it's a theory.

Let me know,
Joe
Was this
answer
helpful?
Yes
No
Monday, February 18th, 2019 AT 7:45 PM
Tiny
ROBERTSMIKE3155
  • MEMBER
  • 6 POSTS
Doesn’t seem to slip, fluid wasn’t really too bad and just the normal metal on the magnet in the pan. Driving down the road it tries to go into third gear and revs up then tries to shift hard but never does. I’m going to replace the input and output sensor and try that. I’ll keep you informed. Thank you for the response.
Was this
answer
helpful?
Yes
No
+1
Tuesday, February 19th, 2019 AT 10:43 AM
Tiny
JACOBANDNICKOLAS
  • MECHANIC
  • 110,176 POSTS
Welcome back:

Sounds like a plan. If that doesn't help, we will need to check line pressure.

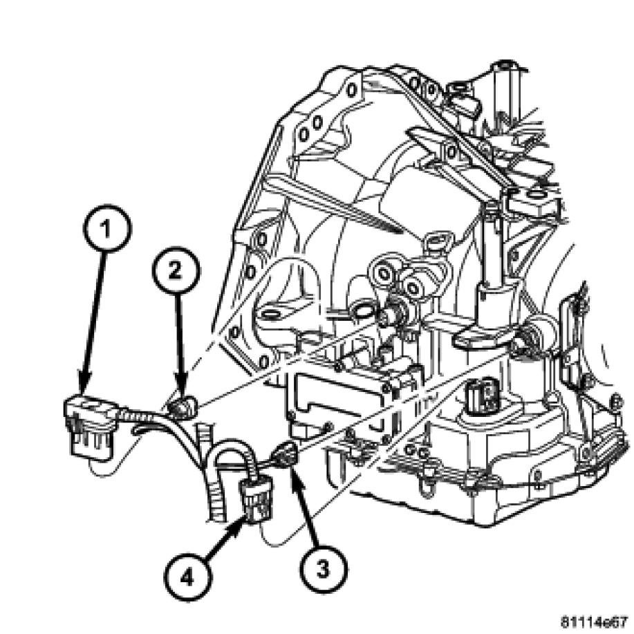
Here are the directions for the sensors. First is the input speed sensor. The attached pictures correlate with these directions.

REMOVAL
REMOVAL

Picture 1

1. Disconnect battery negative cable.
2. Disconnect input speed sensor connector (2).

Picture 2

3. Unscrew and remove input speed sensor (1).

Picture 3

4. Inspect speed sensor O-ring (2) and replace if necessary.

_________________________________

Output speed sensor

REMOVAL

Picture 4

1. Disconnect battery negative cable.
2. Raise vehicle on hoist.
3. Disconnect output speed sensor connector (3).

Picture 5
4. Unscrew and remove output speed sensor (1).

Picture 6

5. Inspect speed sensor O-ring (2) and replace if necessary.

________________________________

Let me know if this helps.

Joe
Was this
answer
helpful?
Yes
No
+3
Tuesday, February 19th, 2019 AT 5:30 PM
Tiny
ROBERTSMIKE3155
  • MEMBER
  • 6 POSTS
Also I forgot to mention that it was blowing transmission fluid out of the dipstick tube.
Was this
answer
helpful?
Yes
No
Thursday, February 21st, 2019 AT 8:50 AM
Tiny
JACOBANDNICKOLAS
  • MECHANIC
  • 110,176 POSTS
Welcome back:
Are you sure the fluid isn't overfilled? If it isn't, we have to also check line pressure. That isn't a common type of problem. Does it always do it or could it be the transmission is overheating?

Let me know.

Joe
Was this
answer
helpful?
Yes
No
Thursday, February 21st, 2019 AT 7:07 PM
Tiny
ROBERTSMIKE3155
  • MEMBER
  • 6 POSTS
Had a mechanic put his code reader on it and it does good until the second to third gear shift but never shifts. Fluid is not overfilled I just changed it and put the right amount back in. Looks like it will need a transmission. Thanks for all you time and help.
Was this
answer
helpful?
Yes
No
Friday, February 22nd, 2019 AT 6:56 PM
Tiny
JACOBANDNICKOLAS
  • MECHANIC
  • 110,176 POSTS
Welcome back:

You may want to confirm line pressure before replacing it. Also, it could be related to a shift solenoid. However, it the only code that shows up is the same as the original one, it would require pinpoint testing.

Regardless, I wish I could have been more help. Take care and let me know if you have other questions.

Joe
Was this
answer
helpful?
Yes
No
Friday, February 22nd, 2019 AT 10:23 PM
Tiny
ROBERTSMIKE3155
  • MEMBER
  • 6 POSTS
You’ve been great help. How does a guy do line pressure testing? And is there a solenoid just for third gear?
Was this
answer
helpful?
Yes
No
Saturday, February 23rd, 2019 AT 6:25 AM
Tiny
JACOBANDNICKOLAS
  • MECHANIC
  • 110,176 POSTS
Welcome back:

As far as a third gear solenoid, it is all controlled by the PCM. However, there is a line pressure switch that I really question, especially since you had fluid forced from the dipstick. The bottom line is if third gear isn't working at all, either there is a problem in the valve body or a pressure issue. I have found nothing on testing line pressure. However, I did find information on the line pressure sensor and control solenoid. Here are directions related to them. This may be a consideration before replacing the entire transmission, but that would be your call. The attached pictures correlate with these directions.

________________________________

Removal

See Picture 1
1. Remove the valve body from the transmission See: Valve Body, A/T > Removal and Replacement > Removal.
2. Remove the electrical connectors from the Pressure Control Solenoid (1) and the Line Pressure Sensor (2).
3. Remove the screws (6) holding the Pressure Control Solenoid (1) and Line Pressure Sensor (2) to the valve body.
4. Remove the pressure control solenoid and line pressure sensor from the valve body.

INSTALLATION

Picture 1

1. Install the Pressure Control Solenoid (1) and Line Pressure Sensor (2) into the valve body.
2. Install the screws (6) to hold the Pressure Control Solenoid (1) and Line Pressure Sensor (2) to the valve body.
3. Install the electrical connectors to the Pressure Control Solenoid (1) and the Line Pressure Sensor (2).
4. Install the valve body into the transmission See: Valve Body, A/T > Removal and Replacement > Installation.
Was this
answer
helpful?
Yes
No
Saturday, February 23rd, 2019 AT 5:15 PM
Tiny
ROBERTSMIKE3155
  • MEMBER
  • 6 POSTS
Thank you for the reply. I’ll do some more checking.
Was this
answer
helpful?
Yes
No
Saturday, February 23rd, 2019 AT 6:41 PM
Tiny
JACOBANDNICKOLAS
  • MECHANIC
  • 110,176 POSTS
Happy to help. I'm just trying to prevent the transmission from being replaced unnecessarily. Let me know what you find or if you have other questions.

Take care,
Joe
Was this
answer
helpful?
Yes
No
Saturday, February 23rd, 2019 AT 9:20 PM

Please login or register to post a reply.