1988 Toyota Camry 4 cyl Two Wheel Drive Manual 222k miles
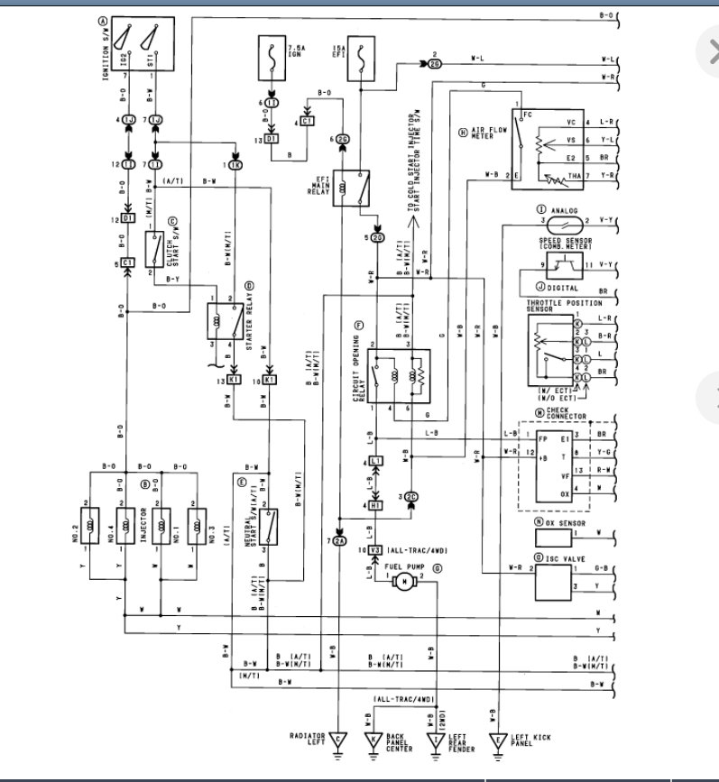
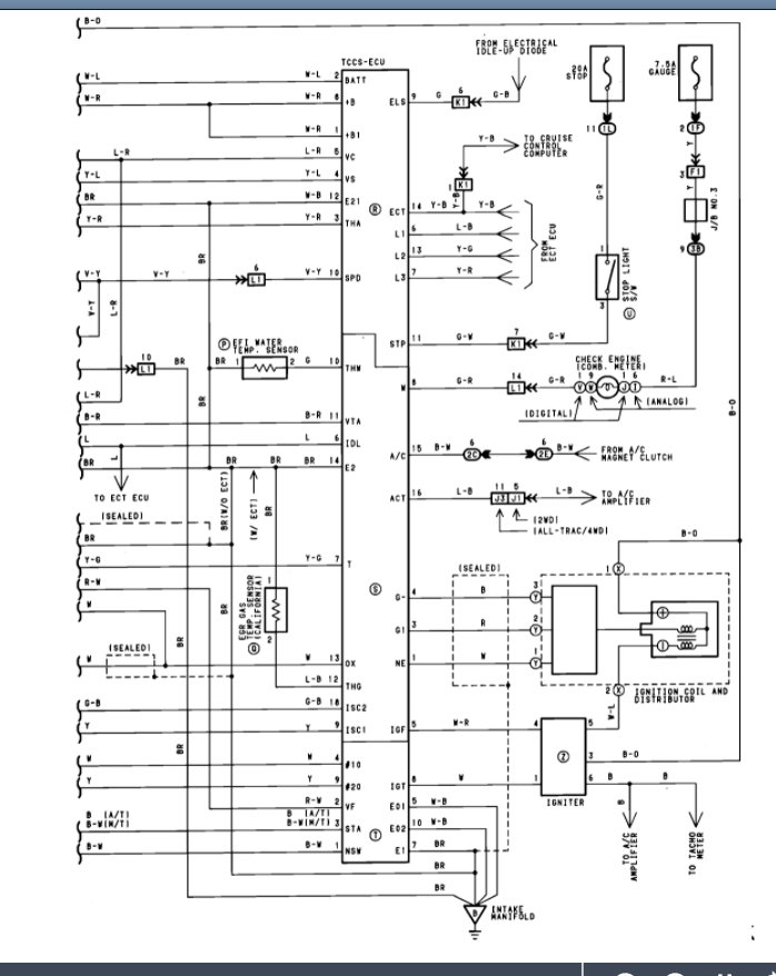
In the process of troubleshooting my cruise control system, I found that the reason my cruise control was not functioning was because of a missing vacuum line. I then checked for vacuum lines that were not connected to anything. What I found was a vacuum line connected to 2 vacuum ports. I proceeded to to disconnect one side of the line and connected it to the cruise control. The question that I have is where can I find a better vacuum system diagram since the one on the car doesn't include everything?
Friday, October 2nd, 2009 AT 7:59 AM










