Thursday, May 12th, 2022 AT 9:38 AM
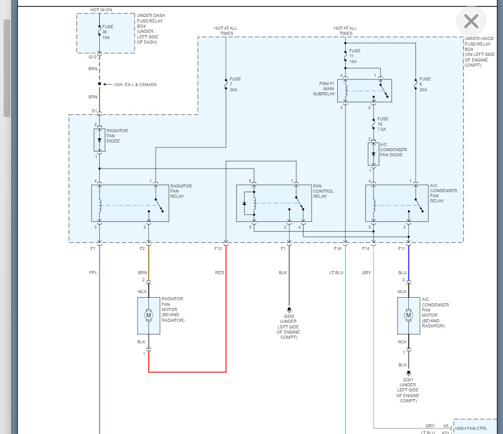
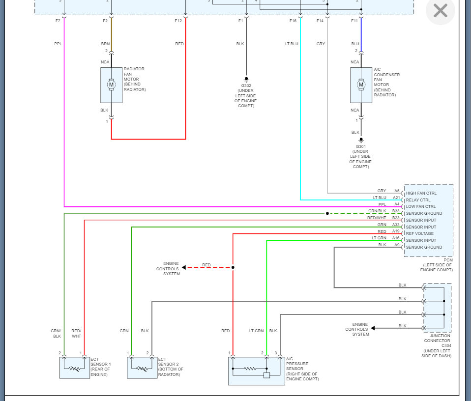
This vehicle had an ECM problem in that it did not start. Then I diagnose and pick P0685:PGM-FI relay control. Then I traced it and noticed that ECM control side was faulty. Then I replaced and programmed it and the fault code was gone. But the radiator fan cannot turn on except when you turn on AC the radiator fan comes on. Then I diagnosed it and pick P0128: thermostat. Then I replace the thermostat and start the vehicle. I monitored the coolant temperature until it reached 90°C but the fan did not turn on. At this point I am confused to say if the thermostat did not open to allow coolant to flow through the engine and engine coolant tells the ECM to trigger the cooling fan. Help please.

