Friday, October 21st, 2016 AT 12:49 AM
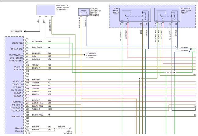
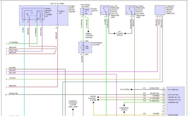
I installed a 1997 360 with transmission as one, but not computer. Truck fuel pump runs but no spark. Computer not communicating. Replaced plugs wires, points, distributor.








