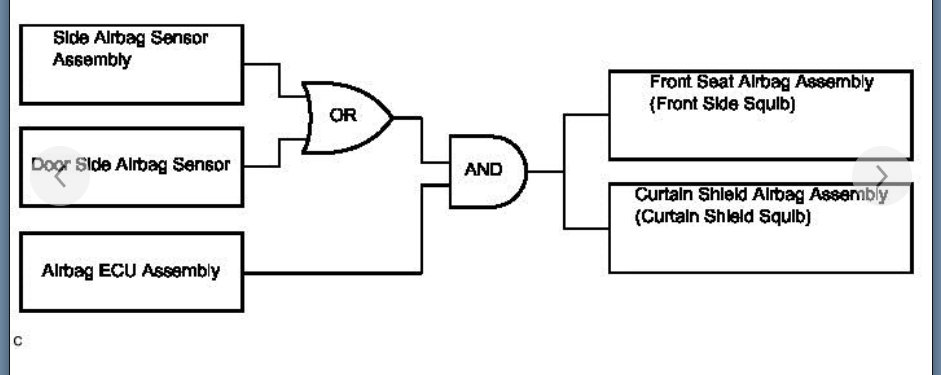
Suspect clock spring malfunction

2014 TOYOTA PRIUS V
500,000 MILES
Avatar
ANDRERAYMOND
  • MEMBER
  • 1 POST
Airbag light came on.
Dec 26, 2019 at 3:13 PM
Repair Safety Notice: This information is for general instructional purposes only. Vehicle repair can be dangerous. Verify all information, follow manufacturer service procedures, use proper tools and safety equipment, and consult a qualified repair shop when needed.
Advertisement
Avatar
KASEKENNY
  • AUTOMOTIVE REPAIR CONTRIBUTOR
  • 18,907 POSTS
We need to start with the codes of the system. This could be the clockspring but there are other possible causes as well.

Let me know the codes and we can go from there. Just make sure the code reader is able to talk to the ABS and restraint control module as some are not.
Dec 26, 2019 at 6:16 PM
Advertisement