Thursday, October 13th, 2022 AT 1:55 PM
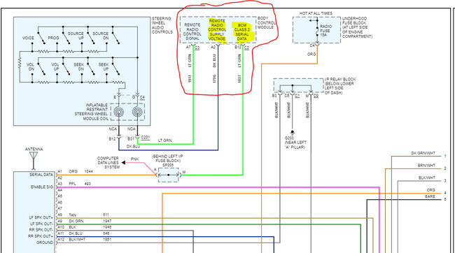
In the last few days all four of the top buttons on my steering wheel that control my factory radio have stopped working. The radio still works fine if I reach over and turn the knobs, the bottom four buttons that control the DIC still work, I don’t have an airbag light, so I know it’s not the clock spring. Is there something else that powers those four buttons, a fuse I’m missing, a wire that broke, something? Yes, I know I can reach over and do it manually, but it’s nice to be able to hit the mute button with my thumb when I get a call being that I use the truck for work I’m in it all the time.

