I recently purchase a new radio (Pioneer 1770NEX). While doing this I decided to upgrade my truck to support steering wheel controls. My truck was a base model with absolutely no frills. There were, however, other 2011 Tacoma models that had those features, so I thought I was safe. Along with the radio, I purchase a PAC unit, XM tuner, microphone, and backup camera.
When I started my upgrade, I had to get a new air bag. Then I added two OEM switches (right and left side) on the steering wheel. I had to replace the clock spring to accommodate the connectors from the switch. The clock spring is also OEM. I got the ribbon cable that connects the two switches from a junkyard.
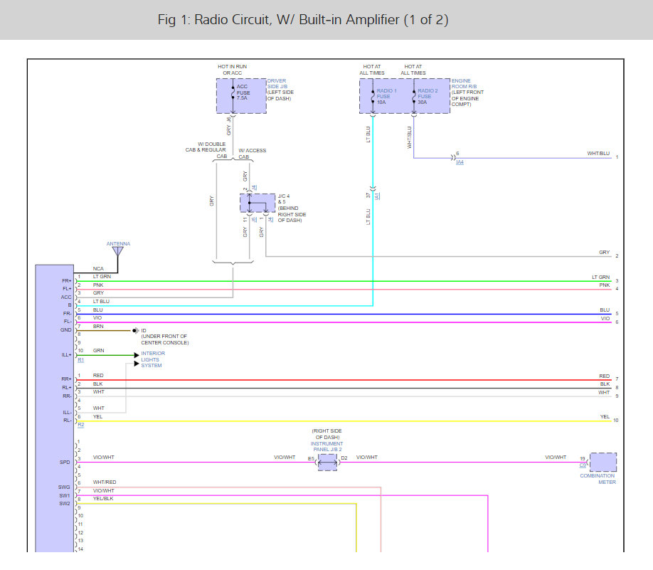
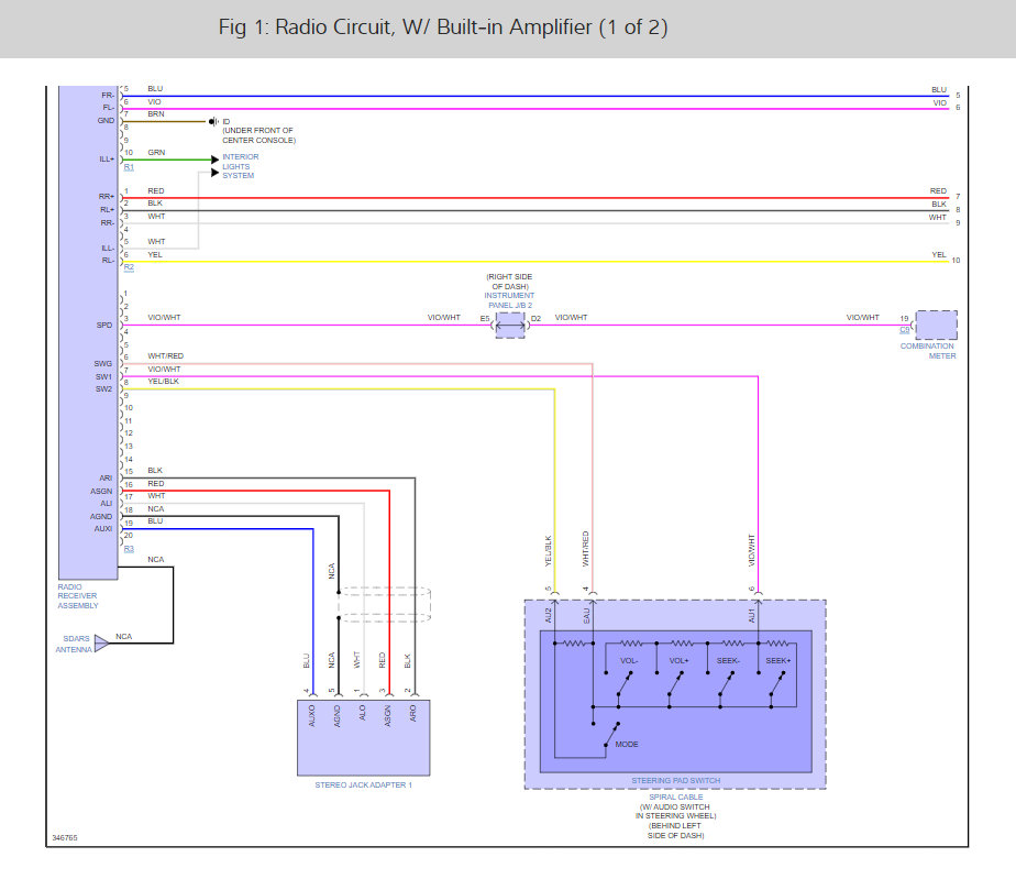
With that taken care of, I needed a 3-wire harness from the clock spring to the PAC. While at the junkyard in clipped two connectors (clock spring and radio end from a 2007 Corolla with swc). That was the closest vehicle to mine that I could find (there were no Tacoma's on site). I also procured a wiring diagram from Toyota to verify the correct pins. They did match up. I also called PAC support to verify the pin outs on the radio end. They also were the same. So, at that point I soldered three wires into those two connectors and finished my harness. There was one other wire from the clock spring that I soldered in (it was for the horn).
Everything worked with the exception of the Steering Wheel Controls (SWC). I am at a loss now. One last thing that I have to try is to re-calibrate the PAC unit based on their documentation. By doing that, I will be able to tell if I am getting any signal from the switches to the PAC unit.
If you have any ideas, as to what I overlooked, I would appreciate hearing them. One thing that I am not sure about is how the switches get power. Should there be a power wire leading into the clock spring? Again, any help is appreciated!
Thank you,
Charlie
Tuesday, July 12th, 2022 AT 10:59 AM










