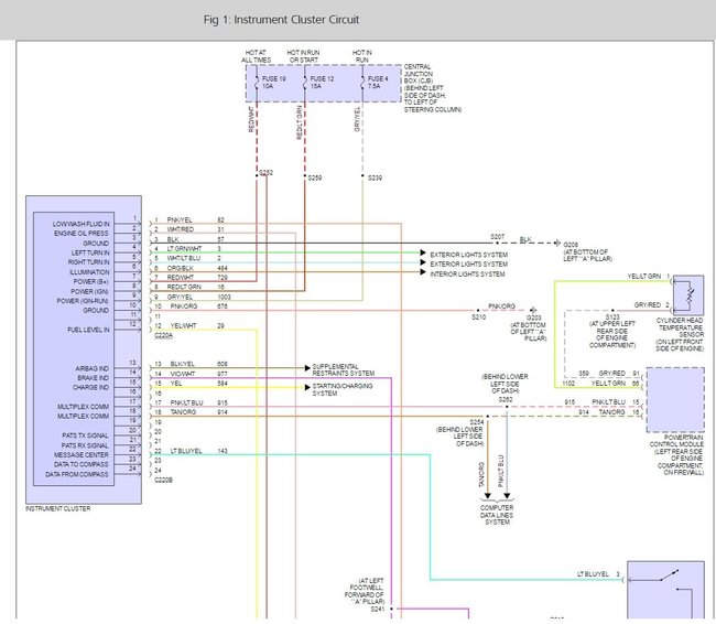
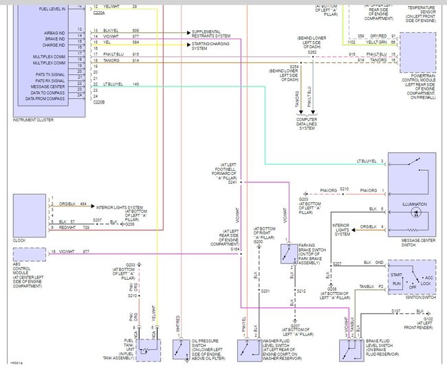
The car drives and shifts fine. The information center and odometer stays lit up but shows digital lines only and no information.
Here is what I have done and what I know.
1. The engine check light is off and there are no ODB2 Codes
2. I have changed the VSS
3. I have an OBD2 tester and can read the vehicle speed via the port.
4. The Odometer mileage does not increment (I have to video it on self check and freeze frame to read it)
5. The gas gauge and the temp gauge work
6. The problem started intermittently, where the cluster would be blank on start-up but come back after a few minutes.
7. I have checked all fuses.
I have the same problem and it's not the instrument cluster. Had a new one and the old one refurbished, and still have the same problem. The pcm stream is getting to the cluster. Haven't had time to dig into it any deeper.
Sunday, August 11th, 2013 AT 6:12 PM


