Sunday, January 24th, 2021 AT 3:16 PM
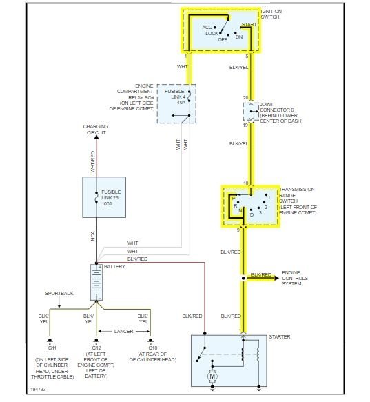
I just installed an underdrive pulley on my car listed above ralliart 2.4l, works beautiful for a day. Now, the first turn of key to start car just clicks (like a drained battery) back it off and 2nd turn starts it no problem. Now Service engine light is on for the first time in cars lifetime. Battery stores 12.75 volts, 13.45 volts while running, leading me to believe it is not the alternator or battery. Help us appreciated.






