Monday, June 16th, 2008 AT 10:45 AM
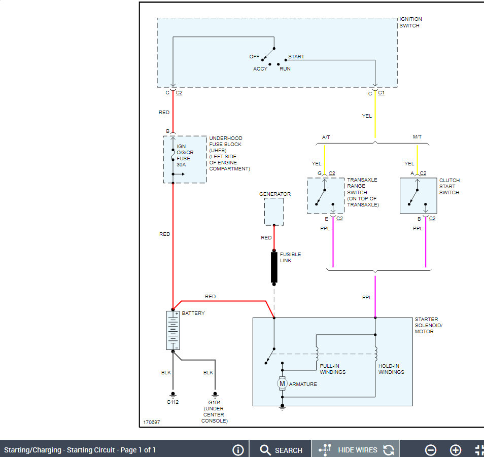
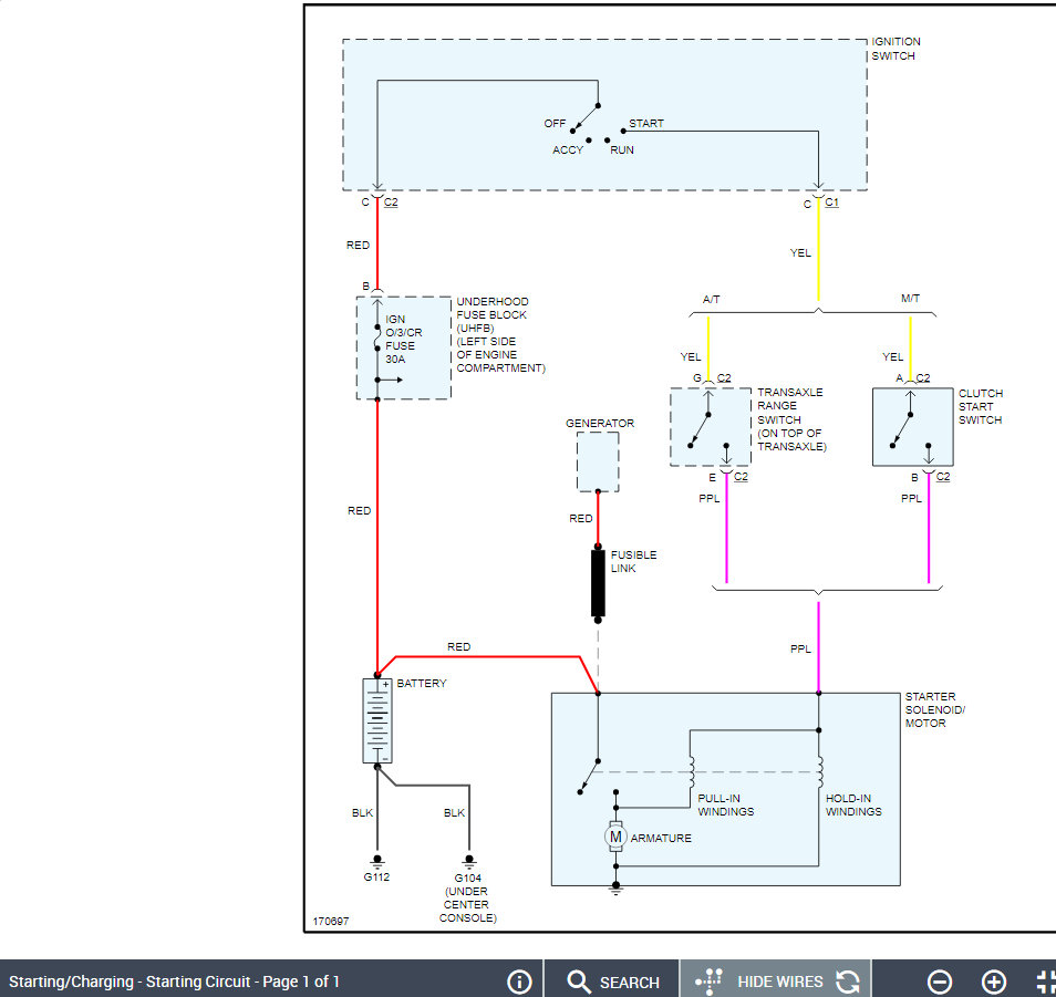
My daughter decided to drive my wife's Saturn thru a large body of water, thinking she could make it but guess what she didn't. After we towed the car home I let it dry out overnight outside with the hood raised. I thought it was the starter since it just clicked, so I took it to my local auto parts store sure enough it failed the test. Put the new one on and it didn't work either(just heard the Bendix pop out but it didn't spin). Took my battery and had it checked it was fine also. Next I think I need to check the fuses can you help me? Any answer to my? Would be greatly appreciated


















