Sunday, August 5th, 2018 AT 12:46 PM
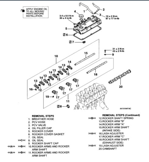
I have the vehicle listed above GT model, 3.0l v6. I seated the valves and now I am trying to put it back together but cannot find any torque specs for the rocker arm assembly. If anyone can help that would be great. I do not know if they are different depending on the size of the engine.





















