Friday, October 13th, 2023 AT 9:19 PM
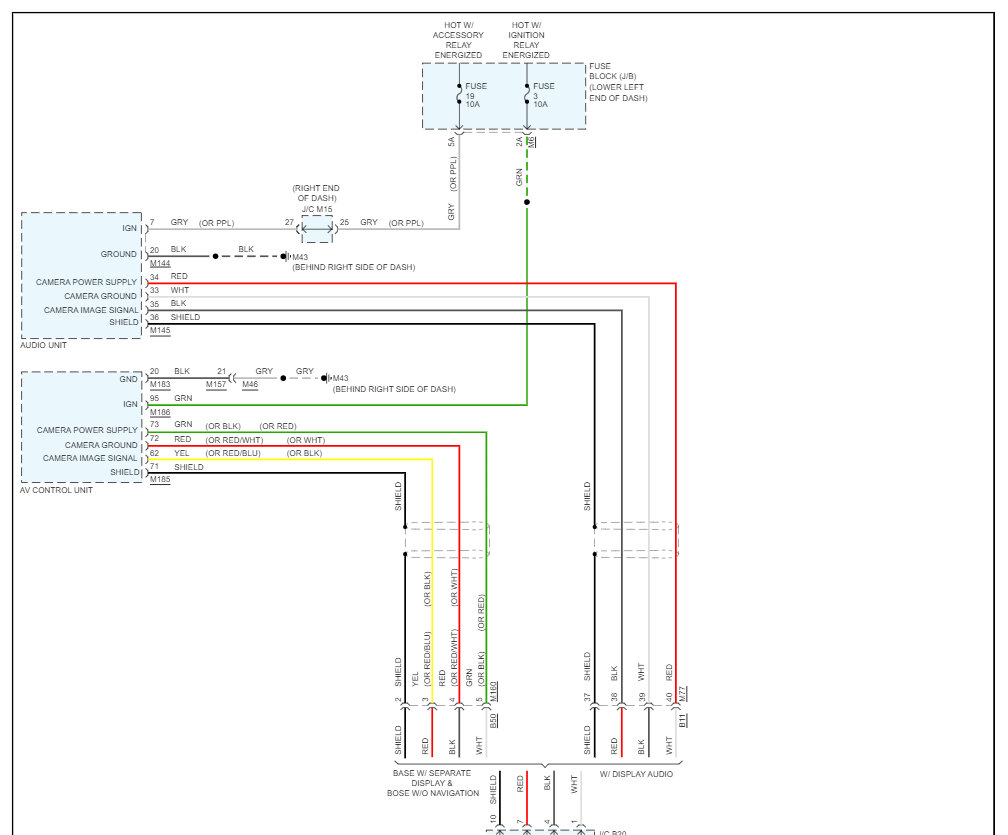
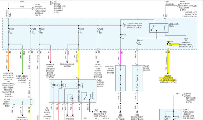
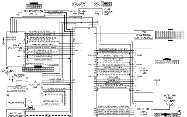
Hi, the backup/rear view camera on my 2017 Nissan Quest stopped working a couple of months ago after my toddler put coins in the CD player. The radio would go in and out after the coins were inserted, but started back working consistently a week or so after the coins went in (they're still in there). However, the screen that displays the radio info as well as backup camera view doesn't work when van is in reverse. (It still shows radio info but not camera view.) I thought it might be the fuse and wanted to change it to see if that resolves the problem, however I cannot determine which fuse is associated with the camera. I've studied the fuse diagram in the manual and have looked at the fuses located inside the van as well as under the hood and still can't figure out which fuse to check. Please advise.









