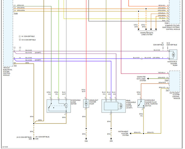
Checked voltage on connector and out of 4 pins I have 3 hot and one min all showing 14volt. But when I use the switch, the voltage doesn't disappear, nor does it change on any on the pins. If I remove the fuse, voltage only disappears on 1 pin which is the on supply. What could be the problem? And if I have constant voltage why does the motor, especially the new one, doesn't work?
Saturday, March 1st, 2025 AT 1:36 PM


