Wednesday, July 3rd, 2019 AT 8:37 AM
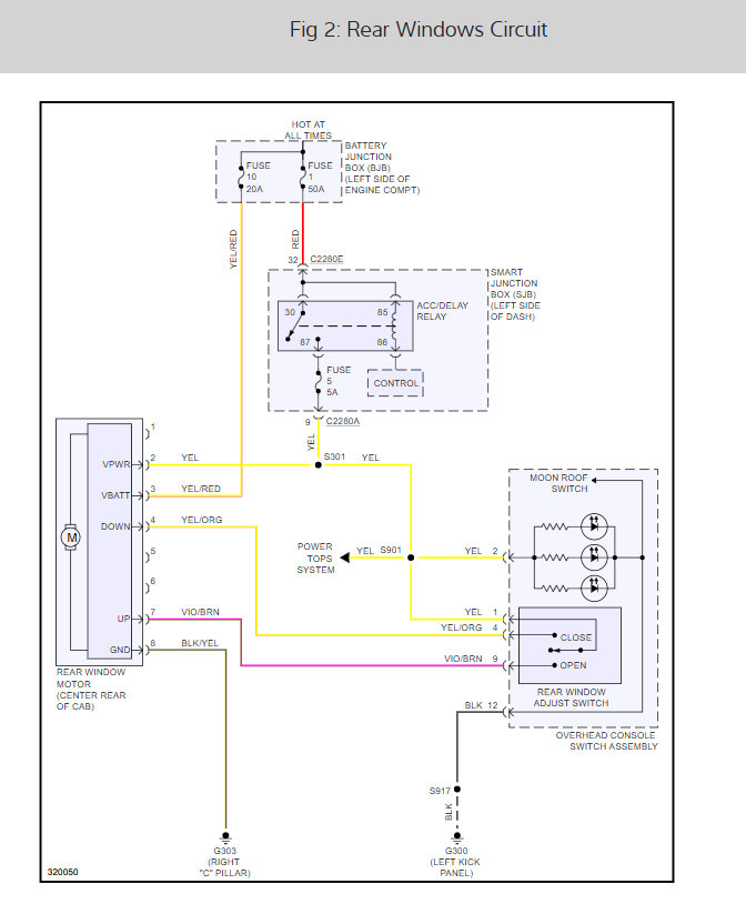
I just got this vehicle. The rear glass that slides down will not go down when I hit the switch. I've checked and there's voltage getting to the motor and regulator and I even replace those but it still will not do anything. I have read on order models there is some sort of training procedure but I have not seen one for this generation to Sport Trac. Is there one?






