Friday, August 7th, 2020 AT 8:32 AM
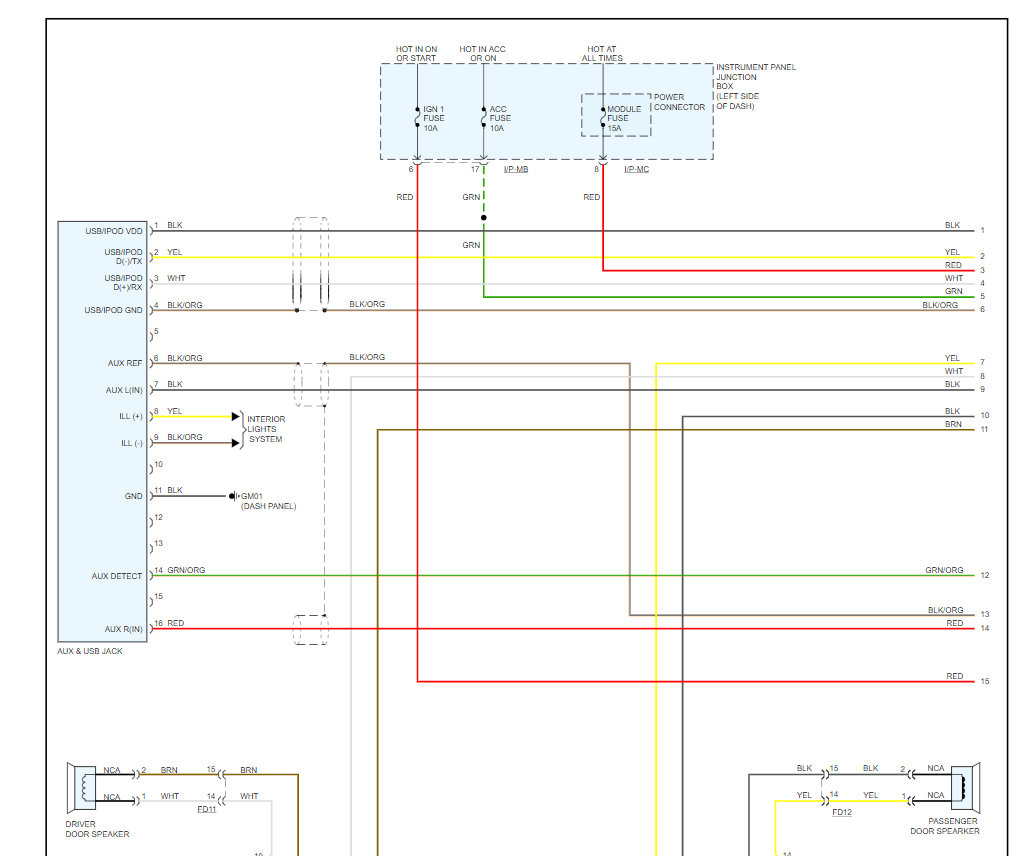
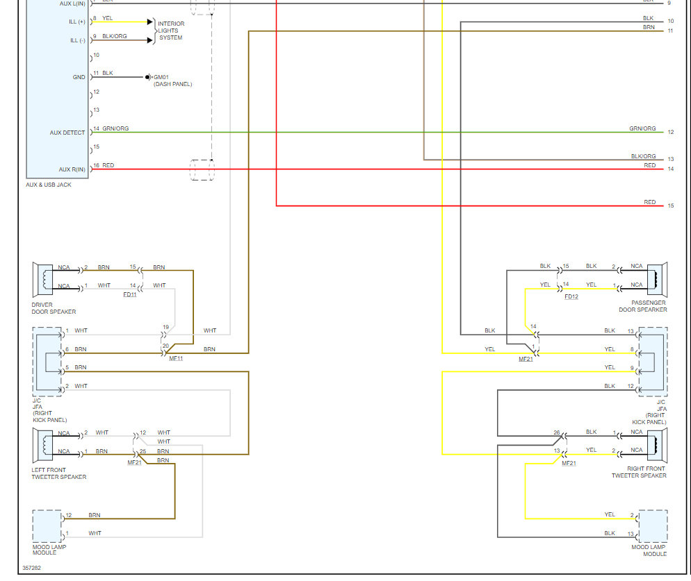
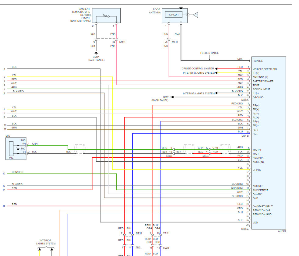
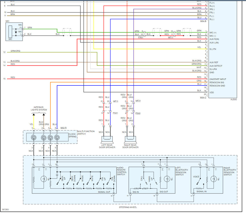
Hey there, I had this once before but not sure why it's happening now. Turn radio on but no sound. I checked memory/radio/amp fuses all good, disconnected fuses plugged them back in, nothing.I had this before and I did something like unhooking battery. I something just don't remember and it started working again. Now I did have to replace amp years ago since water was collecting in back with bad hatch seal and corroded base. But seems like replacement was working good. Only thing I did was unplug that 2 fuse connector to save battery during long period of having it sit parked, maybe something went wrong there?










