Tuesday, September 18th, 2018 AT 1:07 PM
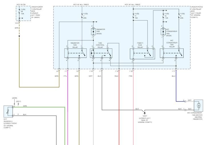
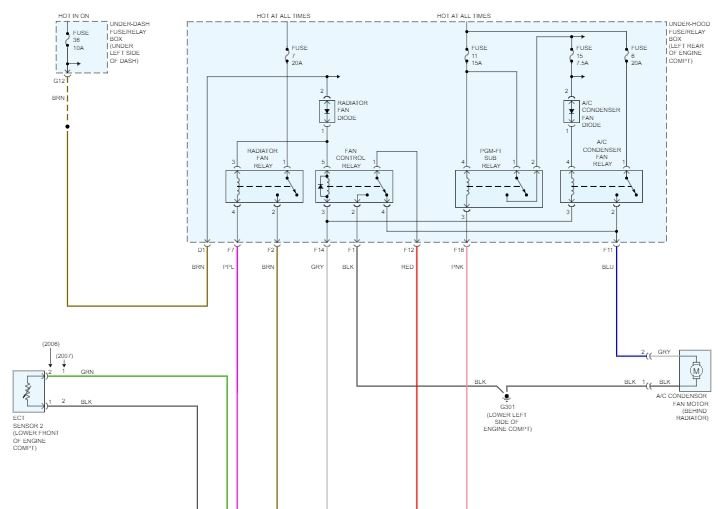
Okay, after overheating damaged radiator, heater core. I went in and replaced everything I could with the cooling system due my car's mileage (over 350,000). Replaced radiator, heater core, water pump, thermostat/gasket, two temperature sensors, but car is still overheating. The only things I did not replace are the cooling fans, because these were easy to verify that they work. They both turn on with AC on. I have tried cross connecting the temperature switch connection with paper clip and fans do not turn on. I have checked relays and fuses, they seem okay. Not sure that I checked the correct ones though. All the diagrams I have found are for the normal Honda Civic and not the Hybrid. What are the specific fuses and rRelays associated with the heating system in my Honda Civic Hybrid? Thanks, Ray




