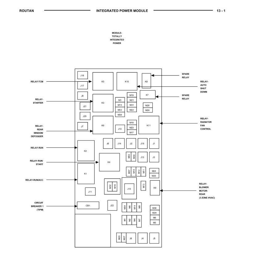
I finally did a research, my friend has a same van, so I pulled out the relays, and put it back in order as his. The top left is the K5 shows PCM on the cover, but online shows TCM. So I replaced just in case, and also the fuse of J18. My question is, because it is still in limp mode, should the computer realize I fixed the problem (I hope I did) or need to reset it? I disconnected the battery, but only for like 4 minutes, what cleared the check engine lights, but limp mode still there and a light came back after I drove around the corner. Should I leave disconnected for hours, or I didn't fix the problem?
I bought a reader, and cleared the code, car still in limp mode, and code comes back after a test drive. Also I checked K10 relay ( ASD), still don't know if they are in a right position. I got 12 V in the socket on the left 2 pin hole. So that mean where I am getting 12V ( Car off) than I put the relay in to match 85 and 30 legs?
Saturday, August 24th, 2019 AT 6:38 PM












