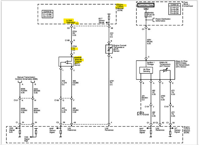
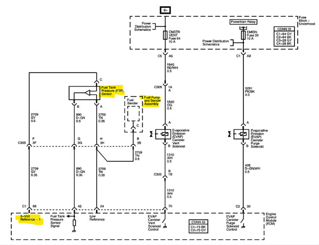
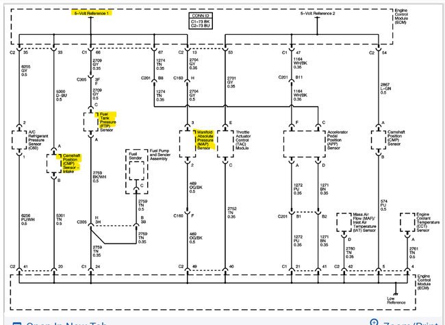
The fuel pump burnt out on my car. I replaced the fuel pump with one off of Amazon. It ran fine. The connector that connected to pump was burnt but still worked. I recently bought a whole pigtail bundle from a scrap yard. I came home, dropped the tank and put the new harness in... Now all it does is crank but won't start. I tried putting the old harness back in. Still nothing. I disconnect the map sensor and it starts and runs (reduced engine power, of course) I plug the map back in and it shuts off the engine! I've replaced the MAP sensor and the CPS! Any ideas?
Feb 21, 2023 at 4:21 PM





