Monday, October 22nd, 2018 AT 6:20 AM
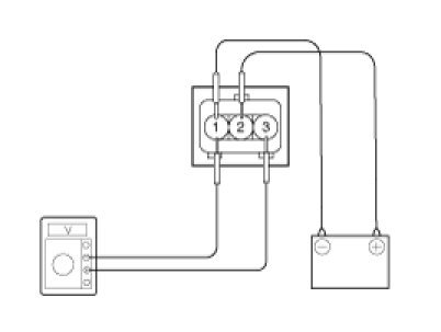
P0501 Code is on. I replace the speed sensor that reads the tone ring on the passenger side that is on the drive axle, because I damaged it taking it out. Also I damaged the tone rings as well. Everything was frozen on. So I replaced that sensor and a new axle shaft with the tone ring. Still reading a code. I guess there is a sensor on the top of the transmission that could be throwing the code. Also, when I took out the axle shaft from the transmission it was brown not ruby red like it should be. So it needs a transmission flush. Could dirty transmission fluid cause this code?





