Friday, September 20th, 2024 AT 10:55 AM
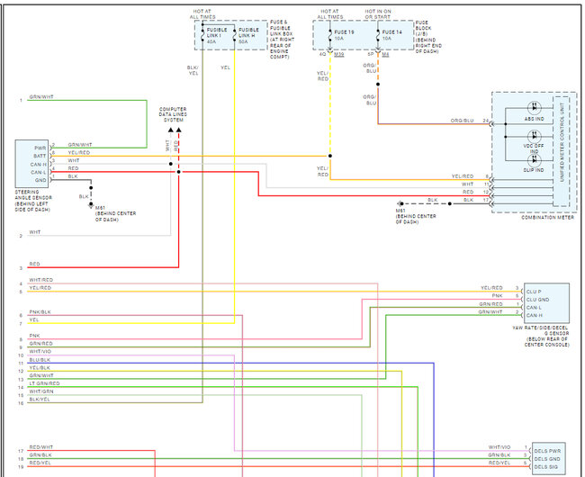
Good afternoon. The truck is giving P0500 trouble code, and the symptoms are speedometer not working and some hesitation and jerking at times while driving. On the dash it shows VDC Off, SLIP and ABS. Based on the code I believe it is the vehicle speed sensor but cannot find the sensor on the transmission. My question is where is the speed sensor located and based of the symptoms and the code, do you believe the speed sensor is the issue?













