Code P0304

2003 INFINITI QX60 HYBRID
167,300 MILES • 3.5L • V6 • 4WD • AUTOMATIC
Avatar
K REKLAW WALKER
  • MEMBER
  • 2 POSTS
My check engine light is flashing. The code was p0304 a misfire in the fourth cylinder. I changed my spark plugs, and coil packs. There was oil in one of the spark plug wells. It wasn't milky. Under the oil cap was also not milky, and there's no white smoke coming out. When i was in idle it was very sluggish. Before the check engine light was on.
Oct 8, 2019 at 12:18 PM
Repair Safety Notice: This information is for general instructional purposes only. Vehicle repair can be dangerous. Verify all information, follow manufacturer service procedures, use proper tools and safety equipment, and consult a qualified repair shop when needed.
Advertisement
Avatar
STEVE W.
  • AUTOMOTIVE REPAIR CONTRIBUTOR
  • 15,146 POSTS
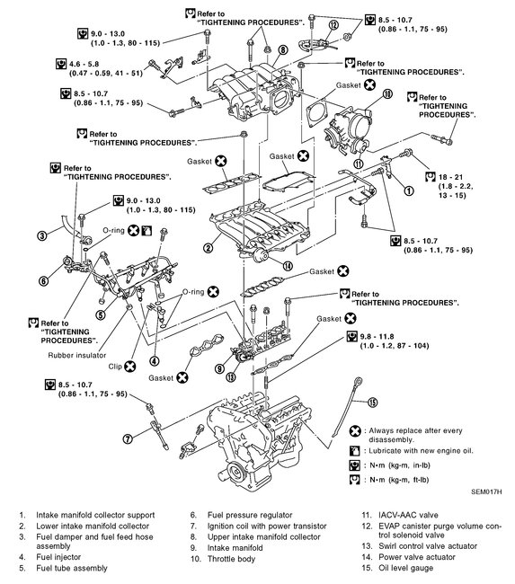
Welcome to 2CarPros. It sounds like the oil worked into the area between the plug and the rubber of the connection. That would only take a few times for the spark current to travel through the oil and carbonize it. From then on the spark follows that path to ground instead of through the plug. It's an issue called carbon tracking. The oil is leaking out of the seal between the valve cover and the spark plug tube. It's a rather common thing on engines designed this way. The repair is to remove the valve covers and replace the seals and valve cover gaskets as they are shown in the images below. The problem is that to do that you have to remove both upper intake plenums to be able to get the covers off to change those seals. Those are items 2 and 8 in the last picture. It's not a real difficult job if you have the tools. If the rest of the vehicle is in good shape I would do the proper repair. If on the other hand you don't want to bother with it or just don't have time at the moment you can try a quick fix. For that you clean the areas where the tube seals against the cover with some carburetor cleaner on a rag, clean into the tube as far as you can and let it dry. Then apply a thin coat of RTV sealer over the seam area and a bit into the tube. The oil in the cover shouldn't be under pressure, instead it just seeps out. The RTV will cure and usually stop the seepage for a while.
Oct 8, 2019 at 2:18 PM
Advertisement
Avatar
K REKLAW WALKER
  • MEMBER
  • 2 POSTS
Thank you! You are a life saver!
Oct 8, 2019 at 4:58 PM
Avatar
STEVE W.
  • AUTOMOTIVE REPAIR CONTRIBUTOR
  • 15,146 POSTS
You are very welcome. Please let us know how the repair goes and thank you for using 2CarPros.
Oct 8, 2019 at 7:13 PM