Monday, April 1st, 2024 AT 9:36 AM
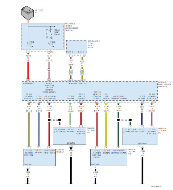
I had the bank 2 upstream sensor replaced and the same code came up after about 10 miles so I took it back to the shop and he's got me running sea foam through the gas I have run 32oz through with about 9 gallons gas and it's still the same code coming up. The truck is running fine like it always has with no problems.














