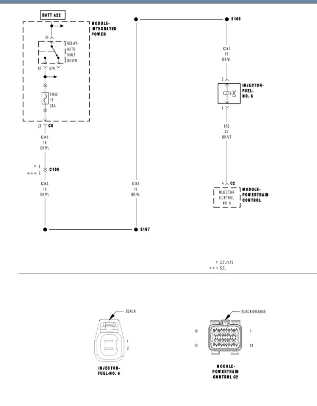
Changed injector, coil pack good, replaced injector connecter, checked for cracked wires, changed o2 downstream sensor. But codes still there after resetting. Engine still running in bad condition.. What the heck? Should i change the upstream o2 sensor? Could that cause a injector circuit to stay open? Or is it just a bad computer??
Mar 28, 2021 at 3:04 PM






