Monday, February 19th, 2018 AT 5:40 PM
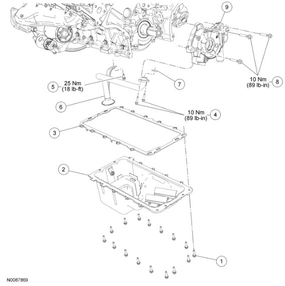
Just replaced timing chain, oil pump. VCT solenoids. All timing components. Cam phasers. Got it all done started beautiful no noises but drove home about eight miles then all of a sudden engine oil light comes on and then oil pressure completely dropped and vehicle shut off, now it will not start at all. Tore it all apart and checked everything seems fine plenty of oil. What do you think happened?







