Twin Turbo.
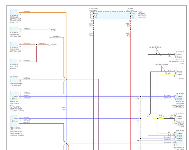
Bring to emissions testing center and came back with "no OBDII Communication" error. vehicle doesn't get driven often. battery get disconnected when park in garage. where do start to check, if it' fuse? which fuse number?
Thank you.
Sam
Bring to emissions testing center and came back with "no OBDII Communication" error. vehicle doesn't get driven often. battery get disconnected when park in garage. where do start to check, if it' fuse? which fuse number?
Thank you.
Sam
Feb 11, 2023 at 7:48 AM

