Thursday, September 21st, 2023 AT 9:25 PM
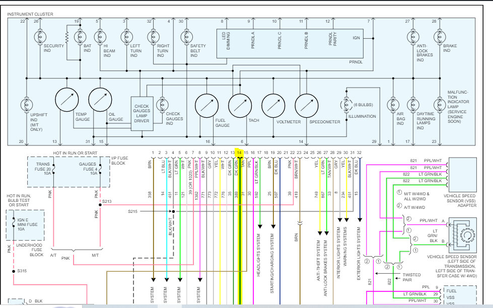
My speedometer or odometer isn’t working, I tried changing the VAS on transmission and still didn’t get anything. Followed the cables to see what I could find but everything looked good. Switch my cluster to a working truck and it works fine with no problems, used that trucks cluster on mine and still had the same problem. Check all fuses and didn’t get nothing. Not pulling up any codes. Saw the video of the VSS buffer but I couldn’t find it behind the glove box, so was wondering if it even had one. The truck runs fine without it, doesn’t shut off or anything. Don’t know what I should do next and seeing if someone that has had this problem could help me out and what the next step is going to take.




