Sunday, November 6th, 2022 AT 3:26 PM
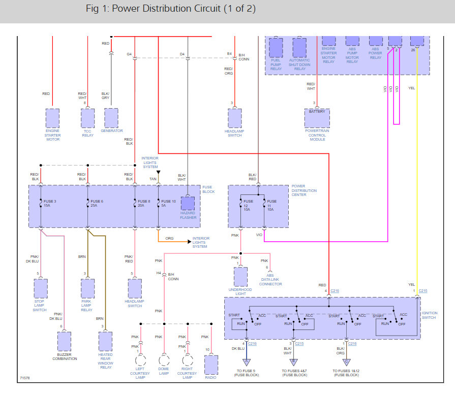
I'm currently having an issue where the second I attach my battery terminals the check engine light illuminates and will not turn off. This is with the key in the off position and the ignition switch itself in the off position. No power should be running through the vehicle at this time. Upon inserting the key and turning it to the on position there is no response whatsoever.











