Wednesday, February 21st, 2018 AT 5:33 AM
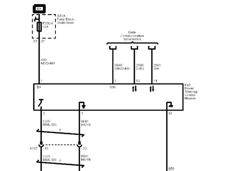
Yesterday the dash lights came on for the ABS system and the traction control system. Additionally, a warning came up to service the power steering system and the traction control systems. The car currently is driveable but has no power steering. I am assuming ABS And traction control are off too. I found a technical service bulletin that suggests it may be a fuse, but I cannot find a fuse for power steering in owners manual diagram. Is it combined with something else that I should be looking for?

