Sunday, October 18th, 2020 AT 1:40 PM
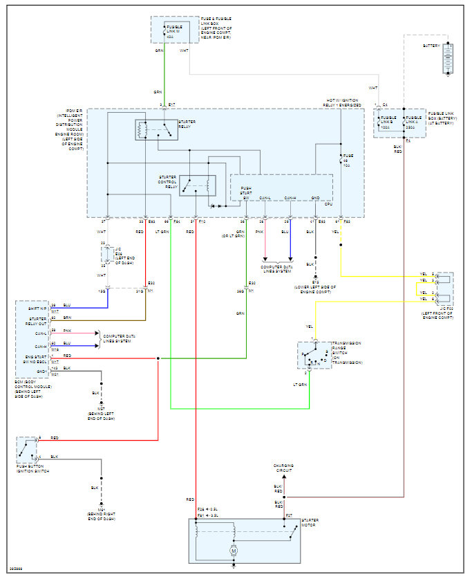
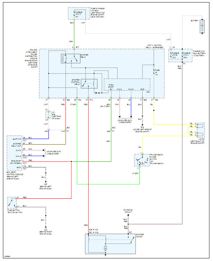
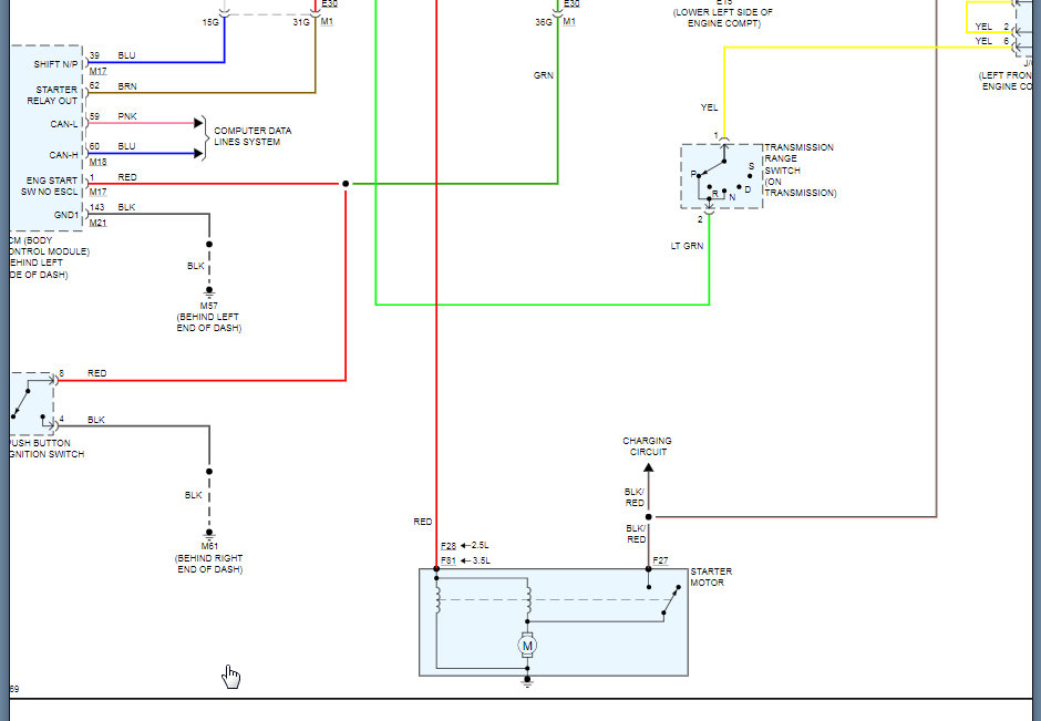
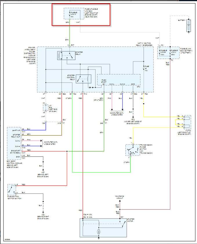
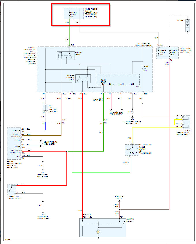
Bought a brand new starter for my car listed above, installed it and car turned on and ran perfectly. Drove a few miles and parked for a few hours and car would not start. Came back next morning and tried jumping the battery, uninstalled and tested the starter, but still no crank- just one click when pressing push start. It seems the starter is not communicating with the car, so my next guess was the starter relay. I checked all of the fuse boxes, read manual and searched the web and cannot find its location. Does any one know where the starter relay is located on the the car listed above S Sedan? Or maybe any suggestions on what the issue could be? Many thanks.











