Sunday, December 1st, 2019 AT 2:59 AM
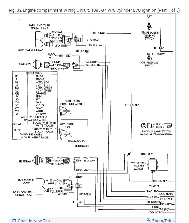
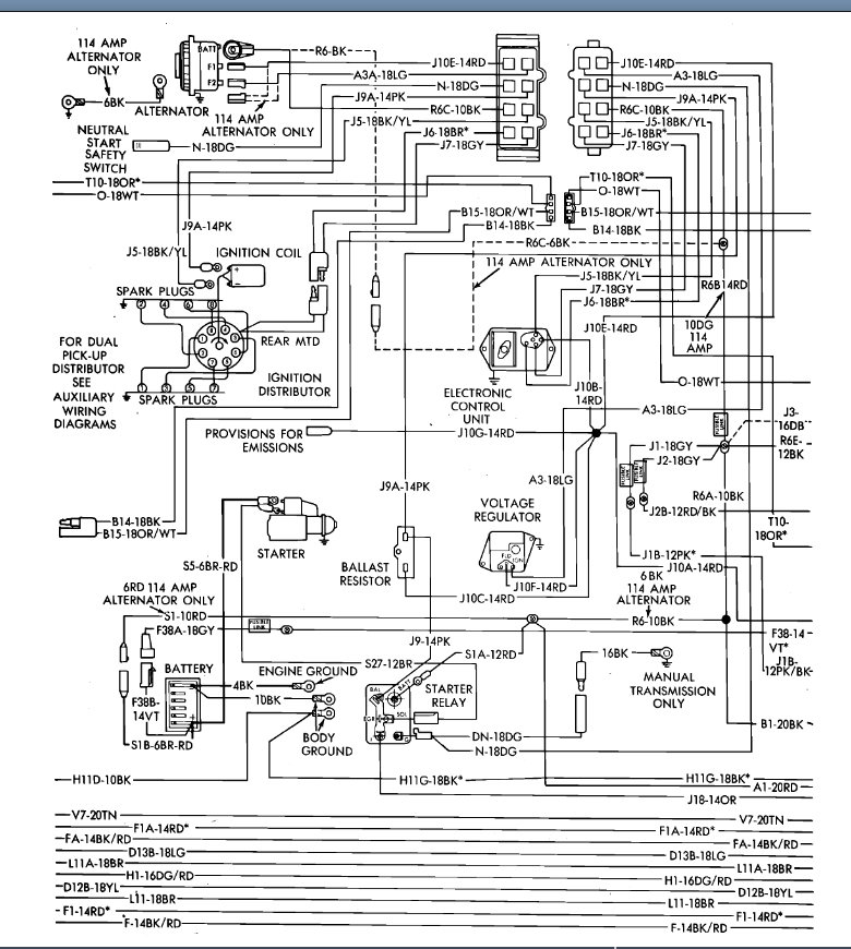
I have the vehicle listed above B250 van. No start, no crank. Dash lights light up but when I turn it to the start position nothing happens. No sound, no click, nothing. The wiring on the neutral safety switch connector were very brittle and stiff. I noticed that once of the wires had broken in half on the connector. I spliced the wiring together but still nothing. I'm wondering if I have the wiring correct. However, I did try all possible combinations which isn't many given there are only 3 wires on the connector. Any thoughts? Also, can you provide me a wiring diagram for the neutral safety switch connector.




