Saturday, December 28th, 2024 AT 3:32 AM
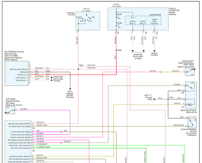
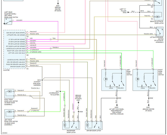
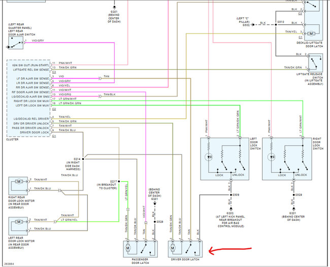
I looked up the wire diagram and I don't see any of the colors they tell me to hook into I know it's in the driver kick panel but I don't know what colors. Any help will be helpful thank you. The wires I'm trying to find are for the door sensors. So, when I open a door, the alarm will go off?



