Thursday, May 25th, 2023 AT 3:36 PM
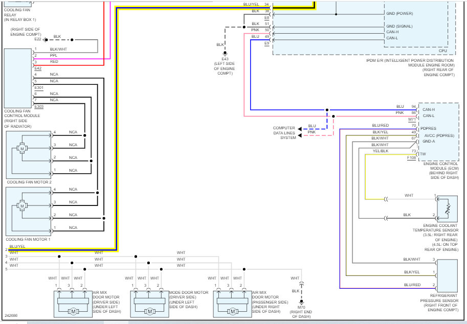
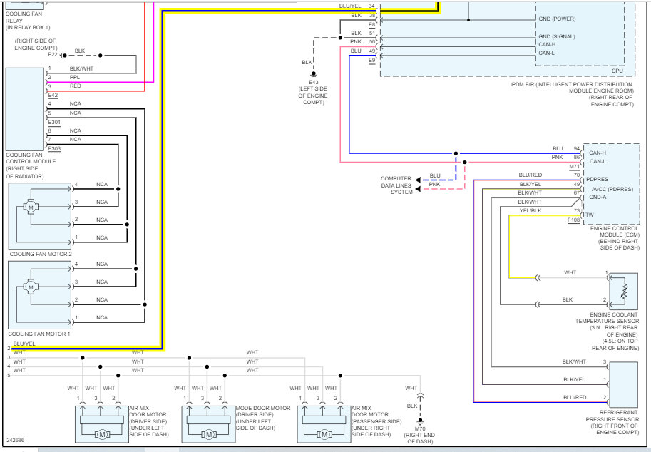
This happened in the middle of the day when I left the gas station. Random. It started about 24 hours ago. Since then, the screen and A/C control module came on twice for a short period of time. I can’t adjust the AC since the control module using working. None of the buttons on it works. And when it randomly came on twice all of the buttons worked the way they’re supposed to.













