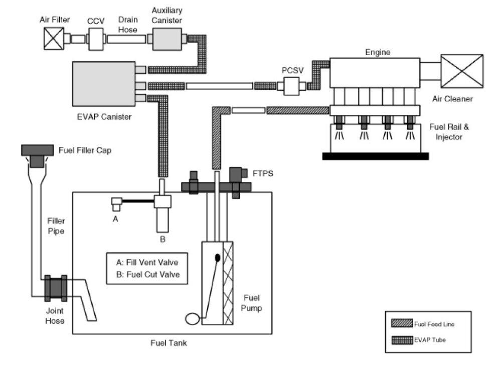
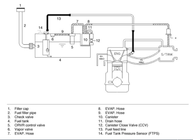
I have tried leaving the engine running while filling up but then the idling starts to falter and then it shuts off.
The check engine light is on constantly because of this.
All of my Oxygen sensors have been replaced.
My throttle body has been cleaned by a mechanic.
Smoke tests have been done and all subsequent tightening's where leaks showed up have been done.
Evap sensors by the gas tank and by the engine have been replaced.
Please help. I hate to fill gas now. My mechanic does not know what else to try.
Saturday, February 4th, 2023 AT 10:43 AM

