Sunday, August 6th, 2023 AT 11:06 AM
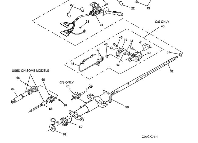
I have the truck listed above K1500. It has a problem with coming out of park. I can tell it has to do with the brake light switch because whenever I take out the switch it will come out of park. But whenever I put it back on it will only come out of gear for the first couple of minutes after installation but not much afterwards but not consistently. I have tried multiple different brands, clips, washers and zip ties to try and get it to be consistent, but nothing seems to work. It seems to work more consistently when I push on the back of the switch (pushing towards the driver seat), while also pushing on the brake pedal. Another thing that’s been puzzling me is the brake lights will come on, but it still won’t unlock the gear shifter. The lights come on much more consistently but not 100% of the time. I don’t know if it is the connector going bad or maybe something is wrong with the brake pedal or something is wrong with the brake booster arm. Any advice would be greatly appreciated.












