Monday, November 20th, 2023 AT 6:44 AM
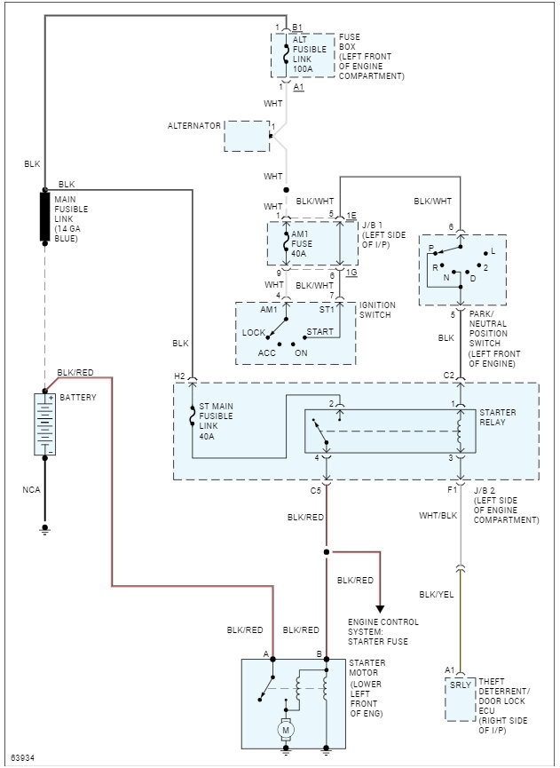
The problem has existed for about 6 months. First start of the day requires multiple key turns. After that, starts, runs fine all day. Next day, the problem repeats. Presently, multiple key turns produce nothing-no sounds, just dash lights. Battery, alternator, starter, neutral safety switch are all good.



